前言

运算放大器的反馈电路有四种配置,上回介绍了最基础的 SP 型(Series Parallel),用于电压放大,Asp = Vout / Vin:

图1 运放反馈的四种配置

图1 运放反馈的四种配置

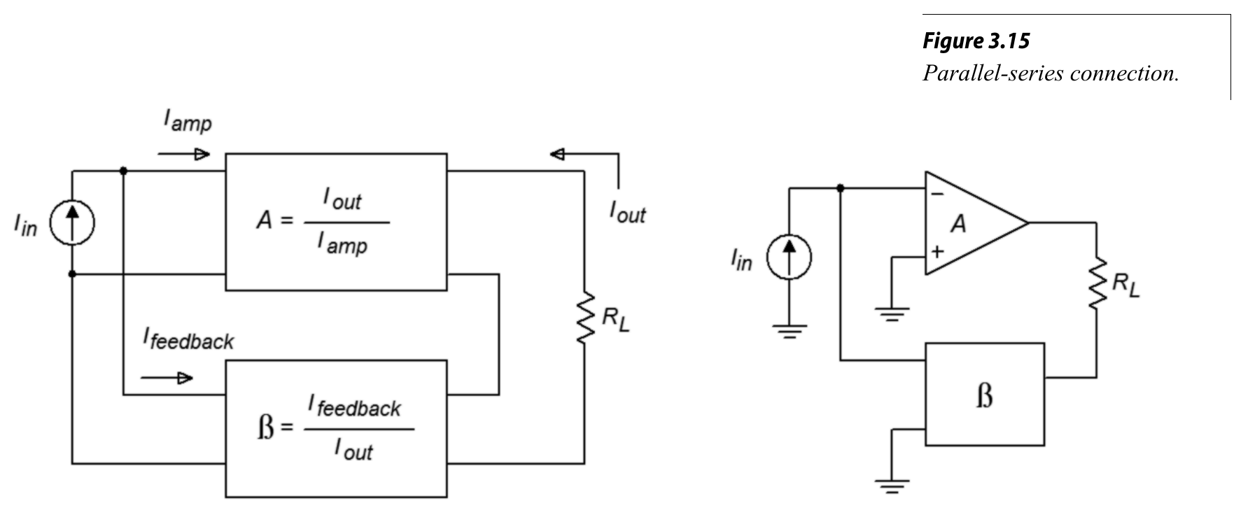
今天介绍 PS 型(Parallel Series),它用于构建理想电流放大器,电流增益定义为输出电流与输入电流的比值,即 Aps = Iout / Iin 。

内容及素材均来自于书籍《 Operational Amplifiers & Linear Integrated Circuits: Theory and Application 》,我只做了一些要点的脉络梳理,细节详情请看原文,详见参考链接 [1]、[2] 。

Parallel Series 反馈型运放

PS 型反馈电路:输入电流(Iin) 采用并行连接,分为放大器支路(Iamp)与反馈网络支路(Ifeedback),实现低输入阻抗以适配电流输入;输出电流(Iout)经负载 RL 后串联接入反馈网络,达成高输出阻抗以适配电流输出,负载通常采用浮地形式:

图2 Parallel Series 反馈

图2 Parallel Series 反馈

从电路分析角度来看:

图3 Parallel Series 反馈的电路分析

图3 Parallel Series 反馈的电路分析

其中:

  • 输入电流 Iin = Iamp + Ifeedback ,Iamp 作为误差信号;
  • 放大器开环电流增益为 A = Iout / Iamp;
  • 反馈网络的电流反馈系数为 β = Ifeedback / Iout;
  • 结合 Iin = Iamp + Ifeedback,可推得闭环电流增益 Aps = Iout / Iin = 1 + A / βA ;
  • 当 A 达到一定程度,则可以近似为 Aps = Iout / Iin = 1 / β 。

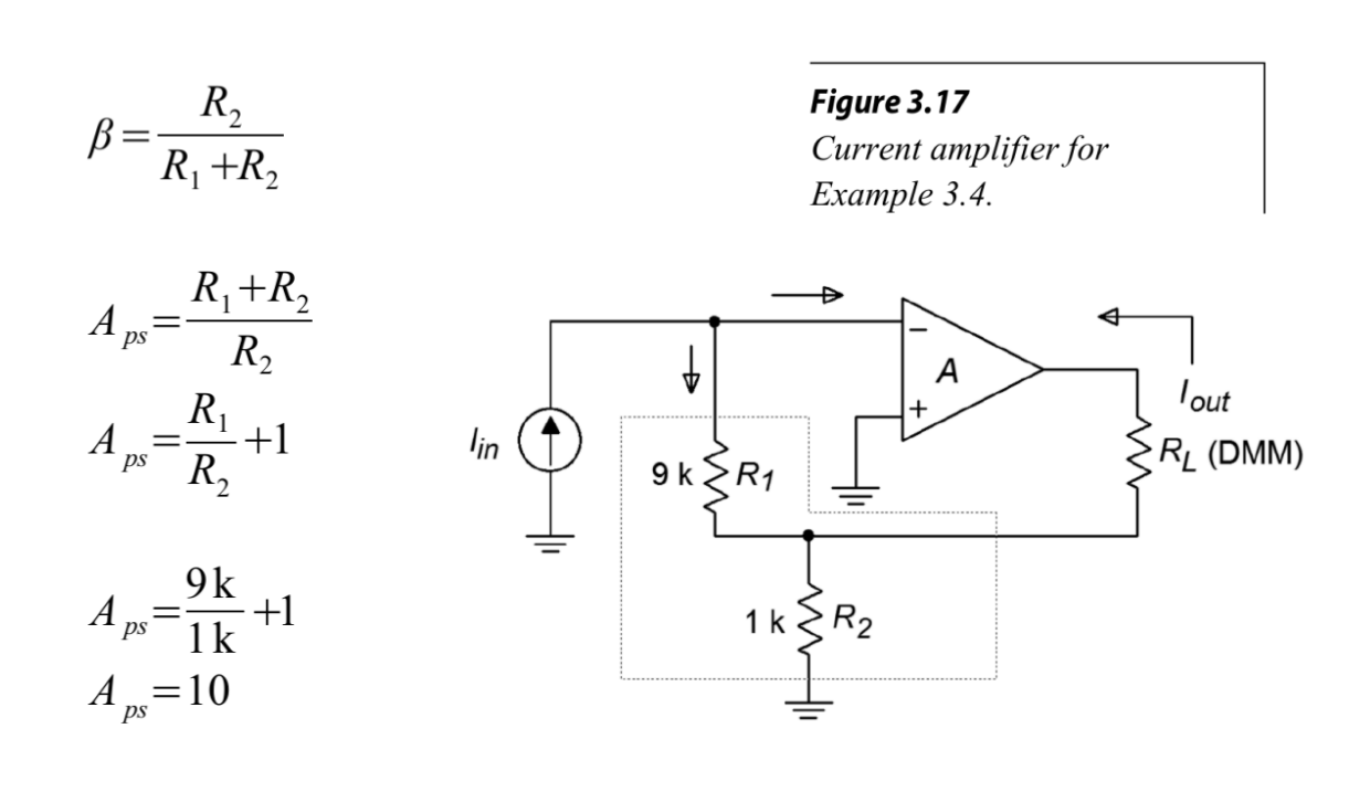
文中给出了一个例子:

图4 Parallel Series 反馈的例子

图4 Parallel Series 反馈的例子

Iout = Ir2 + Ir1 (Ifeedback),利用分流原理,得出 β 与 Aps (例子中为 10 倍 A/A) 。

Aps 的电流增益 与 Asp 的电压增益公式颇为相似。

有几个问题:

  • 从电流大小的角度:Iout > Ir2 > Ir1 > Iamp ≈ 0A ,是不是这样?
  • 运放输出端的电压是正是负?各节点电压是多少?
  • 负载是浮地的(Floating),负载轻重有什么影响?

例子没详讲,为此我们可以做一下仿真。


今日仿真

案例1 —— Parallel Series 电流放大器

构建电路图如下,我改了一下各个电阻的参数,让数据显示更为明显:

图5 图5 LTspice 正常案例

图5 LTspice 正常案例

由 .op 仿真可以看出稳定状态下的各个直流电压/电流,注意电流的方向。

进行瞬态仿真(电压),可以看到 Vin、Vfeedback、Vout 的电压大小,其中 Vout 远未及电源电压:

图6 瞬态仿真(电压)

图6 瞬态仿真(电压)

进行瞬态仿真(电流),可以看到 各个电阻上电流的大小和方向:

图7 瞬态仿真(电流)

图7 瞬态仿真(电流)

那么如果继续增大电流增益,会怎么样?

案例2 —— Parallel Series 电流放大器(发生限位)

构建电路图如下,更新了电阻之比,使得电流增益更大。

此外,LTSpice 中的通用运放有若干种,我选了一种具有 Output Voltage / Current Limit 的运放,显然,它电压输出不能超过电源电压:

图8 LTspice 限位案例

图8 LTspice 限位案例

进行瞬态仿真(电压),可以看到 Vout 已经达到电源电压(-15V),即发生了限位:

图9 瞬态仿真(电压)

图9 瞬态仿真(电压)

进行瞬态仿真(电流),输出电流在 75μA:

图10 瞬态仿真(电流)

图10 瞬态仿真(电流)

因为限位,输出电流与输入电流之比,未达到预设的电流增益。


总结

今天我们介绍了 运放 Parallel-Series (并行-串联) 反馈,用于构建电流放大器。


案例代码

本文 LTspice 案例上传至 Gitee,可下载运行:


参考资料

  1. https://www.amazon.com/dp/1796856894

  2. https://open.umn.edu/opentextbooks/textbooks/operational-amplifiers-linear-integrated-circuits-theory-and-application-3e


欢迎关注我的微信公众号“疯狂的运放”,及时收到最新的推文。