前言

今天我们继续讲运放spec,主要涉及Input Common Mode Voltage Range、Output Voltage Swing、Rail-to-rail等内容。

为便于描述,在此给出运放spec及其对应符号,由于后续图示来自于不同参考资料,可能有些符号会穿插使用,比如Vdd/Vcc/Vs+、Vss/Vee/Vs-、Vout/Vo

运算放大器的spec与符号

图1 运算放大器的spec与符号

Input Common Mode Voltage Range (Vcm)

Input Common Mode Voltage Range,即:输入共模电压范围,符号Vcm,指运放两个输入端可以接受的电压幅度范围。

我觉得也可以简单理解为Input Voltage Range。之所以加“Common Mode”是因为预设运放只对两个输入端的电压差异感兴趣,比如,Vin+=3V,Vin-=2V,两者差异是1V;Vin+=103V,Vin-=102V,两者差异也是1V;对于这两种情况,理想运放的输出是一样的。而实际Vin+能否为103V,Vin-能否为102V,是否会让运放工作异常或者损坏?正是这个指标所要描述的。

一般来说,输入信号的电压范围,不会大于供电的电压范围,应该比供电的电压范围更小一点。我们来看下原因。

下图是运放内部输入端的简易图示,由Vcc、电流源、Q1、Q2两个晶体管组成。

运算放大器Input Common Mode Voltage最大电压限制

图2 运算放大器Input Common Mode Voltage最大电压限制

在正常工作时,电流源、Q1、Q2都有一定的偏置电压,如典型的电流源需要0.3V压降,Q1和Q2需要0.6V压降,这意味着Vcm不能高于Vcc - 0.3V - 0.6V上限,如果高了,则运放处于非正常工作区域,信号会有失真。

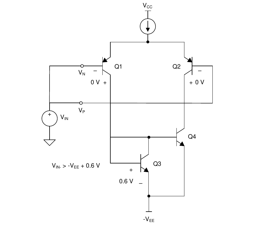
同样的,运放输入端下方连接Vee,这里也有晶体管,如下图中的Q3、Q4:

运算放大器Input Common Mode Voltage最小电压限制

图3 运算放大器Input Common Mode Voltage最小电压限制

Q3、Q4这两个管子正常工作也需要偏置电压,压降是0.6V,所以Vcm不能低于Vee + 0.6V下限,如果低了,则运放处于非正常工作区域。

所以,我们来看下Input Common Mode Voltage Range与Vcc、Vee的关系,它是正负电源的一个子集:

运算放大器Input Common Mode Voltage是正负电源的一个子集

图4 运算放大器Input Common Mode Voltage是正负电源的一个子集

实际情况,Vcc、Vee本身有一个范围,在这个范围里,Vcm的上下限相对Vcc、Vee并不固定,特别在极限值时非线性特性会凸显,所以用以下这种曲线图形来描述Vcm相对±V的上下限,Vcm(hi)代表上限,Vcm(lo)代表下限:

运算放大器Input Common Mode Voltage上下限是±V的相对值曲线

图5 运算放大器Input Common Mode Voltage上下限是±V的相对值曲线

Output Voltage Swing (Vom)

Output Voltage Swing,即:最大输出电压, 符号Vom,指当静态直流输出电压为零时,在不发生波形削波的情况下可以获得的最大正或负输出电压峰值。Vom与输出晶体管、电源电压有关,也受输出阻抗、负载的影响。

我们看下运放内部输出端的简易图示:

运算放大器Output Voltage Swing最大输出电压范围

图6 运算放大器Output Voltage Swing最大输出电压范围

由于R1、R2、Q6、Q7的存在,Vom输出最大值 ≤ +Vcc– VR1 – VBEQ6 – VSATQ6,Vom输出最小值 ≥ –Vee + VR2 + VBEQ7 + VSATQ7

其中VR1、VR2与负载有关系,当负载比较轻(阻抗大),输出电流比较小,则VR1、VR2压降小,输出越接近电源电压;当负载比较重(阻抗小),输出电流比较大,则VR1、VR2压降大,输出越远离电源电压;

Rail-to-Rail 轨到轨

运算放大器的供电电源,称为轨(Rail)。

早期的运算放大器设计在±15V 至±18V 双电源供电。它们的输入和输出电压范围的上限和下限分别为正电源轨以下几伏,或负电源轨以上几伏,如下图的Vin1和Vout1

运算放大器电源轨Rail与输入电压、输出电压范围

图7 运算放大器电源轨Rail与输入电压、输出电压范围

后来随着手机等低功耗应用普及,运放的供电电压越来越小,并且希望是单电源供电,如+5V至0V,+3.3V至0V,甚至 +1.8V至0V。因为可用电压范围变小了,这要求运放的输入和输出尽量涵盖整个电源电压范围。从而诞生了轨到轨输入(rail-to-rail input)、轨到轨输出(rail-to-rail output)或轨到轨输入/输出(rail-to-rail input/output,RR-I/O)的运放。这些是在运放的输入端、输出端有专门满足rail-to-rail的特别设计。

LM358 spec对照

我们来看一下LM358(B)的Input Common Mode Voltage Range与Output Voltage Swing:

LM358(B)的Input Common Mode Voltage Range

图8 LM358(B)的Input Common Mode Voltage Range

LM358(B)的Output Voltage Swing

图9 LM358(B)的Output Voltage Swing

可以看到都是以Positive rail (V+)、Negative rail (V–)来描述的,上下限的电压在距离两个轨道2V以内,所以LM358(B)不是轨到轨的,它和图7中的Vin1和Vout1比较像。

参考资料

参考资料可以从网上搜索获得,主要来自:

  • Microchip AN722
  • Microchip AN723
  • Renesas R13TB0002EU0100
  • TI SLOA011B
  • ADI MT-041
  • TILM358LM358B的spec

可以关注我的微信公众号疯狂的运放,及时收到最新的文章推送。